AT氣動執行器是將壓縮空氣為動力,通過活塞齒條、齒輪的機械傳動,以角行程輸出扭距的氣動執行器,產品外型小、重量輕、使用壽命長性能高。是目前一種新型的氣動執行器產品。分為雙作用和單作用(彈簧復位)。適用于角行程控制閥(球閥、蝶閥類)的開關和調節。也可用于其它需要回轉的場合。
AT氣動活塞式執行機構配用在球閥、蝶閥等旋轉型閥門中,具有重量輕,結構緊湊、使用方便、控制精度高、性能穩定等特點。可用于開關型場合(閥門一開一閉,配電磁換向閥、閥位反饋、空氣過濾減壓閥)和調節型場合(配定位器,控制信號4-20mA控制閥門開度,實現流量調節)。
1、齒輪齒條雙活塞對稱結構設計,動作快速平穩,精度高,輸出功率大,通過簡單的改變活塞裝配位置可得到反方向旋轉。
2、擠壓的優質鋁合金缸體,經精密加工的內孔和外部表面進行硬質陽極氧化處理(特殊情況下陽極氧化+特氟隆涂層),使用壽命更長,摩擦系數低。
3、一體式設計,所有的雙作用和單作用執行器型號,都具有相同的缸體和端蓋,很方便通過加裝彈簧或拆除彈簧來改變作用方式。
4、組合式預符荷安全彈簧組,不論在裝配過程或使用現場中,都能方便而安全的安裝或增減彈簧數量。
5、外部側面兩個單獨調節螺釘對于已安裝在閥門上的執行器更是精確方便,調節閥開和閥關位置,如需全行程調節時則另外在兩個端蓋處配置較長調節螺釘。
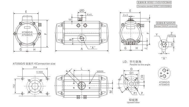
6、多功能位置指示器,現場可視化指示,符合VID/VIE3845、NAMUR標準槽,能安裝并輸出所有附件,如限位開關盒、電氣定位器、位置傳感器(倍加福、圖爾克)。
7、氣源接口符合NRMAR標準,可直接安裝NUMAR標準電磁閥。
8、齒條背面的復合材料軸瓦和活塞導向環以及輸出軸的軸承等為防止金屬對金屬的摩擦,并且增加潤滑,使其低摩擦、長壽命。
9、所有的緊固件均采用不銹鋼材料,長期抗腐蝕。
10、連接部分符合全新國際標準規范ISO5211,DIN3337(F03-F25)使產安裝具有互換性、通用性。
雙作用式

當氣源壓力從氣口(2)進入氣缸兩活塞之間中腔時,使兩活塞分離向氣缸兩端方向移動,兩端氣腔的空氣通過氣口(4)排除, 同時使兩活塞齒條同步帶動輸出軸(齒輪)逆時針方向旋轉。反之氣源壓力從氣口(4)進入氣缸兩端氣腔時,使兩活塞向 氣缸中間方向移動,中間氣腔的空氣通過氣口(2)排除,同時使兩活塞齒條同步帶動輸出軸(齒輪)順時針方向旋轉。 (如果把活塞相對反方向安裝,輸出軸變為反向旋轉,即為雙作用反轉型)
單作用式(彈簧復位)

當氣源壓力從氣口(2)進入氣缸兩活塞之間中腔時,使兩活塞分離向氣缸兩端方向移動,使兩活塞分離向氣缸兩端方向移動, 迫使兩端的彈簧壓縮,兩端氣腔的空氣通過氣口(4)排出,同時使兩活塞齒條同步帶動輸出軸(齒輪)逆時針方向旋轉。當 氣源壓力經過電磁閥換向后,氣缸的兩活塞在彈簧的彈力下向中間方向移動,中間氣腔的空氣從氣口(2)排除,同時使兩 活塞齒條同步帶動輸出軸(齒輪)順時針方向旋轉。(如果把活塞相對反方向安裝,彈簧復位輸出軸變為反向旋轉,即為單作用反轉型)
雙作用氣缸輸出扭矩

單作用氣缸輸出扭矩

安裝尺寸圖

安裝尺寸參數表

